型号:YB-SQS-030
产水量:30T/H(可根据用户要求而定)
适用范围:瓶装山泉水;桶装山泉水;天然饮用水;
产品介绍
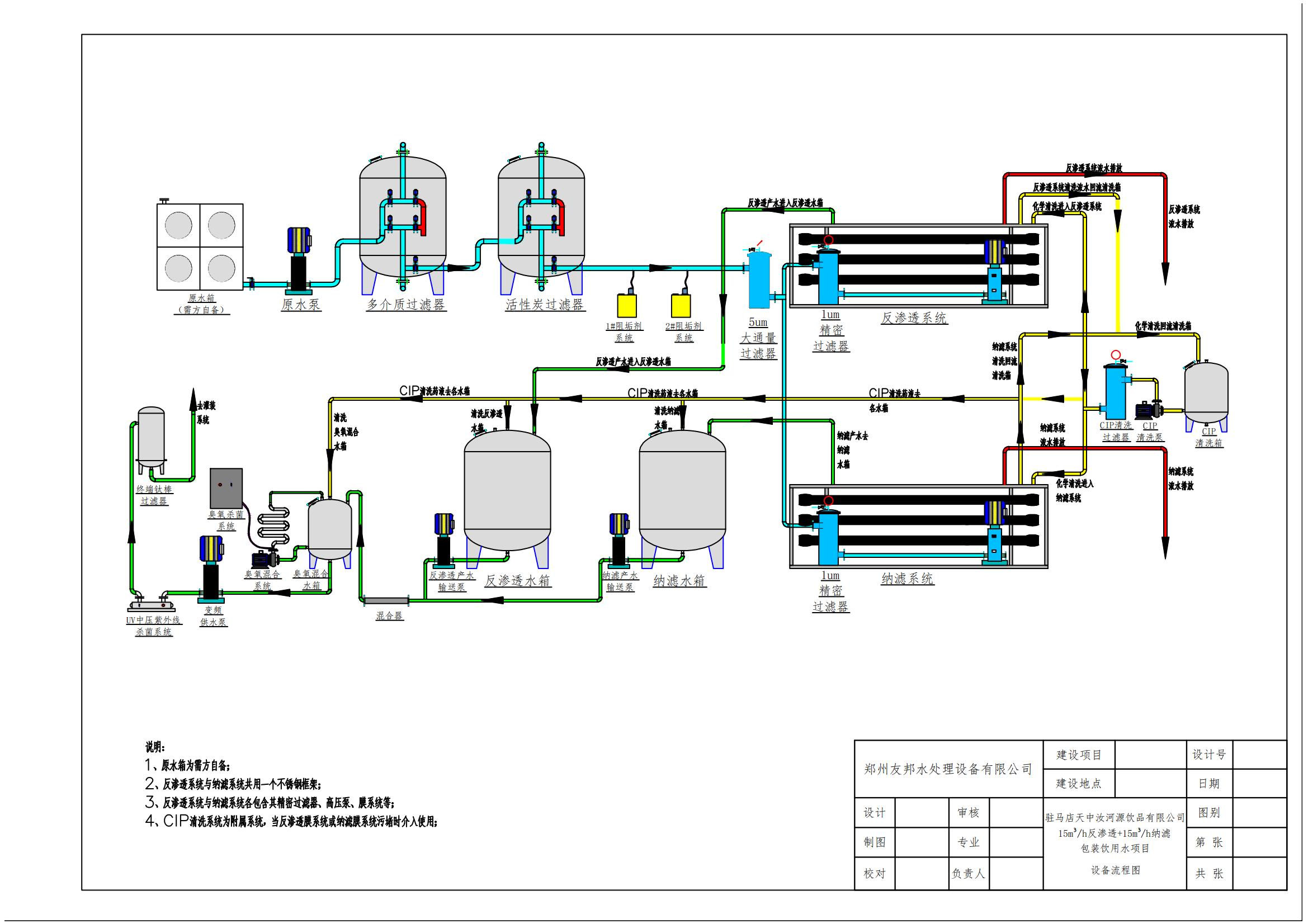
山泉水设备整体采用膜分离技术,采用反渗透膜元件,过滤精度细,只允许水分子通过,有效去除水中的悬浮物、胶体、微生物以及各种盐分等杂质.
1、设备设有在线的仪表,可随时监视设备的运行,以保证设备处于良好的状态。
2、设备具有过热保护功能。当设备的负载超过设定值时,设备会自动断电以保护整个设备。
3、设备设有高低压保护功能,如泵入口压力过低则会形成气浊,对泵造成严重的损坏。如泵出压力过大则会对反渗透膜造成不可恢复的机械损坏。本设备设有自动保护装置,当出现上述两种情况时设备会自动停机。
4、设备具有自动冲洗功能。当设备关机时,设备会按预先设定程序自动进行反渗透膜清洗。这样可有效的保护反渗透膜,防止CaCO3、MgCO3等难容物的沉淀,造成膜的堵塞。
5、设备设有液位控制系统,即当水箱内水位低到一定位置时设备能够自动启动,当水箱内水位达到某一水位时设备能够自动停机。
工艺设计

设备特点
增压泵用来提升系统供水压力;多介质过滤器可清除水中的悬浮物、杂质等;活性炭过滤器可清除水中余氯、异味物质和异味气体,改善口感;精密过滤器进一步去除水中杂质,纳滤原件可将水中杂质、胶体、酚类化合物、氯化物、细菌等各种有害物质清除掉,并将水中有益的各类矿物质保留在水中。
技术参数
单级回收率:>75%
脱盐率:>98%
有机物去除率:>99%
进水温度:15-45℃
环境温度:5-45℃
给水压力:>0.2MPa
控制方式:根据客户要求定制
使用电源:380VAC50Hz
一级RO产水电导率<10μs/cm@25℃(原水电导率<500μs/cm@25℃)
在线订购

邮箱:1500191591@qq.com
传真号码:0371-53768300
服务热线:133-7391-1681 133-8385-9662
郑州市上街区许昌路与丹桂路交叉口奥克斯智造产业城B09幢
友邦水处理 版权所有